| Availability: | |
|---|---|
| Quantity: | |
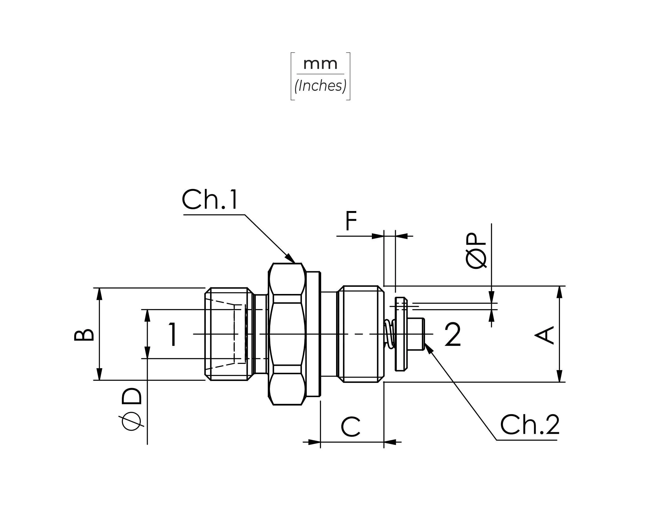
The hose burst valves in the normal operating allow the flow in both directions without influencing the regular functinality of the hydrulic system. In event of breaking of the hose, the plate joins the body and the valve close the outlet flow from the cylinder, locking the load in its position. Hose burst valves must be set by regulating the opening thickness “F” (see technical data sheet of the valve). It is recommended a setting correspondant to a flow 50% over the maximum of the system. The setting can be done in our plant or directly by the Customer. As optional, a calibrated orifice on the plate allows the slow lowering of the load when the valve is closed. Components of the hose burst valves are protected against corrosion with surface treatment zinc plating.

Technical Data
Mineral oil : ISO 6743/4 (DIN 51524)
Oil viscosity : 15-250 mm²/s (15 to 250 cSt)
Max contamination index : ISO 4406:1999 Classe 19/17/14
Oil temperature : -20℃ +80℃ -4°F +176°
Ambient temperature : -20℃ +50℃ -4°F +122°F
A filter into the hydraulic circuit necessary to protect the valve (advised filtration 15 μm)
Max leakage : 0.015 in³/min-5 drops/min
CRARTTERISTICHE TECNICHE/TECHNICAL CHARACTERISTICS
Specification
| TIPO | A | PORTATA MAX | PRESSIONE MAX | mm - inch | COPPIA MAX DI SERRAGGIO | COPPIA MAX DI | PESO APPROX | ||||
| TYPE | MAX FLOW I/min -USgpm | MAX PRESSURE bar-PSI | RACCORDO(Nm) MAX FITTING TIGHTENING TORQUE(lbt in) | SERRaggio TUBO(Nm) MAX TIGHTENING TORQUE FOR HOSE(lbt in) | APPROX | ||||||
| WEIGHT | |||||||||||
| B | C | D | Ch. | ch.2 | kg-lbt | ||||||
| VUBA380T10 | BSPP 3/8 | 50(13.2) | 315(4568) | M16 x 1,5 | 11 | 10(0.39) | 22 | 2,5 | 45(33.2) | 20(15) | 0,044 |
| VUBA380T12 | M18 x 1,5 | -0.43 | 12(0.47) | 22 | 40(30) | -0.097 | |||||
| VUBA380T15 | M22 x 1,5 | 15(0.59) | 24 | 70(50) | 0,060 | ||||||
| -0.13 | |||||||||||
| VUBA120T15 | BSPP 1/2 | 80(21.1) | 13 | 27 | 3 | 60(44.3) | 0,077 | ||||
| -0.51 | -0.17 | ||||||||||
The hose burst valves in the normal operating allow the flow in both directions without influencing the regular functinality of the hydrulic system. In event of breaking of the hose, the plate joins the body and the valve close the outlet flow from the cylinder, locking the load in its position. Hose burst valves must be set by regulating the opening thickness “F” (see technical data sheet of the valve). It is recommended a setting correspondant to a flow 50% over the maximum of the system. The setting can be done in our plant or directly by the Customer. As optional, a calibrated orifice on the plate allows the slow lowering of the load when the valve is closed. Components of the hose burst valves are protected against corrosion with surface treatment zinc plating.

Technical Data
Mineral oil : ISO 6743/4 (DIN 51524)
Oil viscosity : 15-250 mm²/s (15 to 250 cSt)
Max contamination index : ISO 4406:1999 Classe 19/17/14
Oil temperature : -20℃ +80℃ -4°F +176°
Ambient temperature : -20℃ +50℃ -4°F +122°F
A filter into the hydraulic circuit necessary to protect the valve (advised filtration 15 μm)
Max leakage : 0.015 in³/min-5 drops/min
CRARTTERISTICHE TECNICHE/TECHNICAL CHARACTERISTICS
Specification
| TIPO | A | PORTATA MAX | PRESSIONE MAX | mm - inch | COPPIA MAX DI SERRAGGIO | COPPIA MAX DI | PESO APPROX | ||||
| TYPE | MAX FLOW I/min -USgpm | MAX PRESSURE bar-PSI | RACCORDO(Nm) MAX FITTING TIGHTENING TORQUE(lbt in) | SERRaggio TUBO(Nm) MAX TIGHTENING TORQUE FOR HOSE(lbt in) | APPROX | ||||||
| WEIGHT | |||||||||||
| B | C | D | Ch. | ch.2 | kg-lbt | ||||||
| VUBA380T10 | BSPP 3/8 | 50(13.2) | 315(4568) | M16 x 1,5 | 11 | 10(0.39) | 22 | 2,5 | 45(33.2) | 20(15) | 0,044 |
| VUBA380T12 | M18 x 1,5 | -0.43 | 12(0.47) | 22 | 40(30) | -0.097 | |||||
| VUBA380T15 | M22 x 1,5 | 15(0.59) | 24 | 70(50) | 0,060 | ||||||
| -0.13 | |||||||||||
| VUBA120T15 | BSPP 1/2 | 80(21.1) | 13 | 27 | 3 | 60(44.3) | 0,077 | ||||
| -0.51 | -0.17 | ||||||||||
content is empty!