
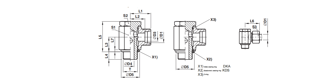
Series | D1 | T | D3 | D4 | DKA | KDS | L1 | L2 | L3 | L4 | L5 | L6 | L7 | S1 | S2 | S3 | Weight | Type A | Type B | Work pressure (bar)CF |
LL | 04 06 08 | G1/8A G1/8A G1/8A | 3.0 4.5 6.0 | 5.0 5.0 5.0 | 14 14 14 | 15 15 15 | 15.5 15.5 16.5 | 11.5 10.0 11.0 | 10.0 10.0 10.0 | 6 6 6 | 21.0 21.5 21.0 | 21 22 23 | 2.5 2.5 2.5 | 14 14 14 | 14 14 14 | 10 12 14 | 28 28 30 | SWVE04LLROMD | SWVE04LLRKDSOMD | 63 63 63 |
L | 06 08 10 12 15 | G1/8A G1/4A G1/4A G3/8A G1/2A | 4.0 6.0 8.0 10.0 12.0 | 5.0 6.5 6.5 8.5 11.0 | 14 18 18 22 26 | 15 19 19 22 27 | 17.5 20.0 21.0 22.5 26.0 | 10.5 13.0 14.0 15.5 19.0 | 10.0 13.0 13.0 15.0 18.0 | 6 9 9 9 11 | 21.0 27.0 27.0 32.0 37.5 | 25 28 29 30 34 | 2.5 3.0 3.0 3.0 4.5 | 14 19 19 22 27 | 14 19 19 22 27 | 14 17 19 22 27 | 31 65 66 102 171 | SWVE06LROMD SWVE08LROMD SWVE10LROMD SWVE12LROMD | SWVE06LRKDSOMD SWVEO8LRKDSOMD SWVE10LRKDSOMD SWVE12LRKDSOMD SWVE15LRKDSOMD | 160 160 160 100 100 |
| 18 22 28 35 42 | G1/2A G3/4A G1A G11/4A G11/2A | 15.0 19.0 24.0 30.0 36.0 | 13.0 18.0 22.0 29.0 35.0 | 26 32 39 49 55 | 27 33 40 50 56 | 28.0 33.0 39.5 46.5 51.5 | 20.5 25.5 32.0 36.0 40.5 | 21.5 24.0 30.5 35.5 40.5 | 11 13 14 16 18 | 44.5 49.0 66.5 76.0 86.0 | 37 42 49 58 63 | 4.5 3.5 3.5 3.5 3.5 | 30 36 50 60 70 | 27 32 46 55 60 | 32 36 41 50 60 | 249 349 | SWVE18LROMD SWVE22LROMD SWVE28LROMD SWVE35LROMD SWVE42LROMD | SWVE18LRKDSOMD SWVE22LRKDSOMD SWVE28LRKDSOMD SWVE35LRKDSOMD SWVE42LRKDSOMD | 100 100 100 100 100 |
S | 06 08 10 12 14 | G 1/4A G 1/4A G 3/8A G 3/8A G 1/2A | 4.0 5.0 7.0 8.0 10.0 | 6.5 6.5 8.5 8.0 11.0 | 18 18 22 22 26 | 19 19 22 22 27 | 22.0 22.0 23.5 24.5 28.0 | 15.0 15.0 16.0 17.0 20.0 | 13.0 13.0 15.0 18.0 18.0 | 9 9 9 9 11 | 27.0 27.0 32.0 37.0 37.5 | 30 30 32 33 38 | 3.0 3.0 3.0 3.0 4.5 | 19 19 22 24 27 | 19 19 22 24 27 | 17 19 22 24 27 | 69 73 108 147 177 | SWVE06SROMD SWVE08SROMD SWVE10SROMD SWVE12SROMD SWVE14SROMD | SWVE06SRKDSOMD SWVEO8SRKDSOMD SWVE10SRKDSOMD SWVE12SRKDSOMD SWVE14SRKDSOMD | 160 160 100 100 100 |
| 16 20 25 30 38 | G 1/2A G 3/4A G1A G11/4A G11/2A | 12.0 16.0 20 25 32 | 13.0 18.0 22 29 35 | 26 32 39 49 55 | 27 33 40 50 56 | 30.0 35.0 43.5 50.5 57.5 | 21.5 24.5 31.5 37 41.5 | 21.5 24.0 30.5 35.5 40.5 | 11 13 14 16 18 | 44.5 49.0 66.5 76.0 86.0 | 40 46 56 64 72 | 4.5 3.5 3.5 3.5 3.5 | 30 36 50 60 70 | 27 32 46 55 60 | 30 36 46 50 60 | 249 359 | SWVE16SROMD SWVE20SROMD SWVE25SROMD SWVE30SROMD SWVE38SROMD | SWVE16SRKDSOMD SWVE20SRKDSOMD SWVE25SRKDSOMD SWVE30SRKDSOMD SWVE38SRKDSOMD | 100 100 100 100 100 |